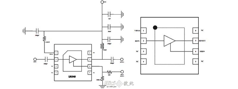
射频低噪声放大器
该器件是一款宽带、 低噪声、 高线性放大芯片, 具有很好的带内增益平坦度。 芯片采用 GaAs pHEMT 工艺制造, 可工作在 0.8 ~ 6GHz, 封装形式为 DFN8 2mm*2mm 封装。 内置有源偏置电路保证了芯片的温度和工艺稳定性。
- 频率范围:0.8 G~6 GHz
- 工作电压Vcc:5 V
- 工作电流Icc:65 mA
- 典型增益:19 dB@1.6 GHz
- 噪声系数:0.33 dB@1.6 GHz
- 输出P-1dB:20 dBm
- 输出IP3:37 dB
- 封装:DFN8(2mm×2mm)
- 工作温度:-55 ~ +125 ℃

典型应用和芯片引脚示意:

