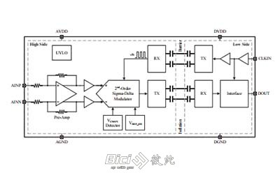
隔离型 Δ-Σ 调制器
隔离型 Δ-Σ 调制器用于分流电阻的电流检测而设计。器件采用二氧化硅 (SiO2) 作为隔离层, 支持高达 5KVRMS 的电气
隔离。
基于不同应用需求,该调制器分为集成内部时钟,以及外部时钟输入两种规格。
隔离型 Δ-Σ 调制器:集成内部时钟
- 差分输入电压范围:±50 / ±250mV
- 10/20 MHz内部时钟
- 未编码/曼彻斯特编码数据输出
- 低失调误差:±50 / ±100µV(最大值)
- 低增益误差:25°C时±0.2%(最大值)
- 失调温漂:±1μV/°C(最大值)
- 增益温漂:±40ppm/°C(最大值)
- 高边和低边均支持3.3V和5V供电电压
- 5KVRMS隔离耐压
- 温度范围:–55°C ~ 125°C
- 高共模瞬态抗扰度:150kV/μs(典型值)
- 额定工作电压下使用寿命大于40年
- 封装方式:SOIC8,RoHS

隔离型Δ-Σ 调制器:外部时钟输入
- 差分输入电压范围:±50 / ±250mV
- 未编码/曼彻斯特编码数据输出
- 低失调误差:±50 / ±100µV(最大值)
- 低增益误差:25°C时±0.2%(最大值)
- 失调温漂:±1μV/°C(最大值)
- 增益温漂:±40ppm/°C(最大值)
- 高边和低边均支持3.3V和5V供电电压
- 5KVRMS隔离耐压
- 温度范围:–55°C ~ 125°C
- 高共模瞬态抗扰度:150kV/μs(典型值)
- 额定工作电压下使用寿命大于40年
- 封装方式:SOIC8,RoHS

国产隔离型隔离型 Δ-Σ 调制器替代国外产品参考:
| 国产隔离型 Δ-Σ 调制器 | TI 型号 | ADI 型号 |
|---|---|---|
| 20MHz内部时钟,±250mV输入,未编码 | AMC1303M2520 | – |
| 20MHz内部时钟,±250mV输入,曼彻斯特编码 | AMC1303E2520 | – |
| 10MHz内部时钟,±250mV输入,未编码 | AMC1303M2510 | – |
| 10MHz内部时钟,±250mV输入,曼彻斯特编码 | AMC1303E2510 | – |
| 20MHz内部时钟,±50mV输入,未编码 | AMC1303M0520 | – |
| 20MHz内部时钟,±50mV输入,曼彻斯特编码 | AMC1303E0520 | – |
| 10MHz内部时钟,±50mV输入,未编码 | AMC1303M0510 | – |
| 10MHz内部时钟,±50mV输入,曼彻斯特编码 | AMC1303E0510 | – |
| 外部时钟输入,±250mV输入,未编码 | AMC1306M25 | ADuM7701-8x |
| 外部时钟输入,±250mV输入,曼彻斯特编码 | AMC1306E25 | – |
| 外部时钟输入,±50mV输入,未编码 | AMC1306M05 | ADuM7702-8x |
| 外部时钟输入,±50mV输入,曼彻斯特编码 | AMC1306E05 | – |
