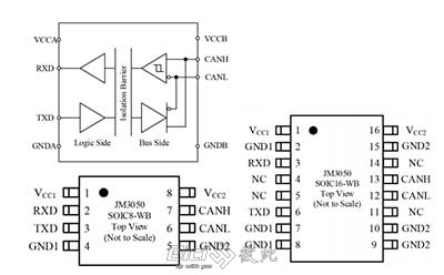
隔离电路:CAN 收发器
隔离型 CAN 物理层收发器,符合 ISO11898-2 标准的技术规范。器件采用片上二氧化硅(SiO2)电容作为隔离层,在 CAN 协议控制器和物理层总线之间创建一个完全隔离的接口。器件提供差分接收和发送功能,信号传输速率可达 1Mbps。另外,还提供内部集成 DC-DC 电源的隔离型 CAN 收发器。
该系列产品已经可部分或全部替代 ADI/TI 公司的同类产品。
标准隔离型 CAN 收发器
- 符合 ISO11898-2 标准
- 3.75 / 5KVRMS隔离耐压
- 逻辑侧 I/O 电压范围支持 2.5V~5V
- 信号传输速率高达 1Mbps
- 温度范围:–55°C ~ 125°C
- 高共模瞬态抗扰度:150kV/μs(典型值)
- 低环路延时:–150ns(典型值)
- 驱动器(TXD)主动态超时功能
- 热关断保护
- 总线最多可支持110个节点
- 无电节点不干扰总线
- 封装方式:SOIC8 / SOIC16 / DUB8

集成电源的隔离型 CAN 收发器
- 符合 ISO11898-2 标准
- 5KVRMS隔离耐压
- 集成隔离式DC-DC转换器(含变压器)
- 逻辑侧 I/O 电压范围支持 4.5V~5V
- 信号传输速率高达 1Mbps
- 温度范围:–55°C ~ 125°C
- 高共模瞬态抗扰度:150kV/μs(典型值)
- 低环路延时:–150ns(典型值)
- 驱动器(TXD)主动态超时功能
- 热关断保护
- 总线最多可支持110个节点
- 无电节点不干扰总线
- 封装方式:SOIC16 / SOIC20

国产隔离型 CAN 收发器替代国外产品参考:
| 国产CAN | TI 型号 | ADI 型号 |
|---|---|---|
| 不集成电源,3.75KV 隔离,DUB8封装 | ISO1050DUB | – |
| 不集成电源,5KV 隔离,SOIC8封装 | ISO1042DWV | ADM3050EBRIZ |
| 不集成电源,5KV 隔离,SOIC16封装 | ISO1050DW | ADM3050EBRWZ |
